Diseño y fabricación de Checking Fixtures
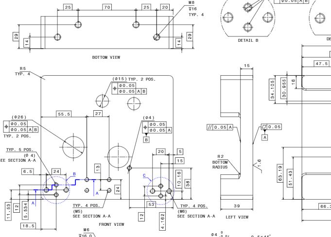
R&R Integraciones Industriales presenta como uno de los principales servicios el diseño y fabricación de fixtures: checking, holding y welding. Ofrecemos a su empresa un servicio integral desde la etapa de diseño de un fixture de acuerdo al GD&T del componente, seguido de la fabricación con una alta precisión y culminando con la certificación del dispositivo para respaldar la confiabilidad del proceso.
Ingeniería Inversa y cambios de Ingeniería de Checking Fixtures
Otro de nuestros servicios para el área de Checking Fixture es la modificación y actualización de sus dispositivos que sufran cambios de ingeniería. R&R Integraciones Industriales toma la información CAD proporcionada junto con el dispositivo actual para modelar y generar los cambios en el producto, llevándolo al último nivel de actualización.
* Ingeniería inversa
La ingeniería inversa o retroingeniería es el proceso llevado a cabo con el objetivo de obtener información o un diseño a partir de un producto, con el fin de determinar cuáles son sus componentes y de qué manera interactúan entre sí y cuál fue el proceso de fabricación.
Es un modelado que a través de escáneres ópticos Rexcan podemos realizar la ingeniería inversa de cualquier objeto de una forma muy precisa, nos especializamos en la creación de modelos que igualan la intención de diseño original e incluso en modelos paramétricos.
* Cambios de ingeniería
Modificación del funcionamiento o característica del dispositivo o pieza.


